Наши клиенты Проектирование Монтаж Цены Консалтинг Оборудование Контакты
(495) 504-87-12
inf@cinematex.ru

Кинопроекционное оборудование:

KINOTON

Kinoton FP25D и FP25E
Kinoton FP30D и FP30Е
Kinoton FP38E
Kinoton FP40D и FP40Е
Kinoton FP50D и FP50Е
Kinoton FP75Е

Двухформатный кинопроектор
Новые продукты

CINEMECCANICA

Victoria 5
Victoria 5B
Victoria 8/T
Cinemeccanica 7040H

ламповые блоки
(LAMPHOUSES):
Звуковая считывающая головка

Digital SRD
позволяет считывать аналоговые и цифровые дорожки Dolby. Данный блок может быть установлен на все типы кинопроекторов Cinemeccanica.

Акустические системы:

JBL Pro

СЕРИИ SCREENARRAY™
СЕРИИ 5000
СЕРИИ 3000 и 4000
СУБВУФЕРЫ
СИСТЕМЫ SURROUND

ELECTRO-VOICE

Contractor Precision Series (CPS) Amplifiers
Cinema Systems (Variplex, TS)
Subwoofers
Surround Loudspeakers
Sound processor

Ксеноновые короткодуговые лампы

OSRAM XBO:

OSRAM XBO
представляют собой коротокодуговые лампы, в которых разрядная дуга горит в атмосфере ксенонового газа высокого давления..

 

 

Также, мы поставляем:

процессоры кино, оборудование для кинотеатров, ксеноновые лампы для кинопроекторов, лампы ксеноновые, рамы экранов, кашеты, механизмы кашетирования, запасные части для кинопроекторов KINOTON, CINEMECCANICA, MEOPTA, ISCO, SCHNEIDER, IREM, Акустика для кино, усилители, усилители для кино, DOLBY, DOLBY DIGITAL, DOLBY DIGITAL SURROUND EX, DOLBY SURROUND, звуковое оборудование для кинотеатров, головки для чтения циановой фонограммы, оборудование долби ( DOLBY ), лазерные головки, лазерные считывающие системы, лазерные оптические головки, цифровые головки, красный лазер, звукочитающие блоки кинопроекторов, объективы, кинообъективы, оптика для кинопроекторов, анаморфотные насадки, кинопроекционные окна, кинопроекционное оборудование, акустические системы JBL Pro, Electro-voice, surround systems, Ламповые блоки ( Lamphouses )

 

Кинопроектор Cinemeccanica Victoria 8/T
Кинопроекторы кинооборудование для кинотеатров кинозалов cinemeccanica victoria 8/T

Кинопроекторы кинооборудование для кинотеатров кинозалов cinemeccanica victoria 8/T

Кинопроекторы кинооборудование для кинотеатров кинозалов cinemeccanica victoria 8/T

Краткое описание кинопроектора Victoria 8/T

Кинопроектор Victoria 8/T доступен в вариантах для 35 мм и 70 мм кинопроекции. Кинопроектор имеет простую и надёжную конструкцию. В зависимости от станины, на кинопроектор можно устанавливать бобины 1800 м или 3000 метров.

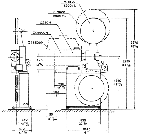
Основные размеры Victoria 8/T
Размеры Cinemeccanica Victoria 8/T

 

 

DOLBY DIGITAL

!!! Ремонт процессоров Dolby !!!

Вспомогательное оборудование CINEMECCANICA:

Kинопроекторы, акустические системы, кинопроекционое оборудование, оборудование для кинотеатров, дискотек, клубов, освещение, осветительные приборы, монтажные столы, вспомогательное оборудование, аксессуары, DOLBY SURROUND DIGITAL Kinoton Cinemeccanica JBL ProПеремоточный стол Film Rewinder
Kинопроекторы, акустические системы, кинопроекционое оборудование, оборудование для кинотеатров, дискотек, клубов, освещение, осветительные приборы, монтажные столы, вспомогательное оборудование, аксессуары, DOLBY SURROUND DIGITAL Kinoton Cinemeccanica JBL ProСистема бесперемоточного показа CNR 3-35N
Kинопроекторы, акустические системы, кинопроекционое оборудование, оборудование для кинотеатров, дискотек, клубов, освещение, осветительные приборы, монтажные столы, вспомогательное оборудование, аксессуары, DOLBY SURROUND DIGITAL Kinoton Cinemeccanica JBL ProСистема демонстрации с бобин 5000 м DGB 2x5
Kинопроекторы, акустические системы, кинопроекционое оборудование, оборудование для кинотеатров, дискотек, клубов, освещение, осветительные приборы, монтажные столы, вспомогательное оборудование, аксессуары, DOLBY SURROUND DIGITAL Kinoton Cinemeccanica JBL ProМонтажный стол MT
Kинопроекторы, акустические системы, кинопроекционое оборудование, оборудование для кинотеатров, дискотек, клубов, освещение, осветительные приборы, монтажные столы, вспомогательное оборудование, аксессуары, DOLBY SURROUND DIGITAL Kinoton Cinemeccanica JBL ProКинопроекционные окна

Монтаж кинотеатров, оборудование кинозалов, поставка кинооборудования:

KINOTON, CINEMECCANICA, MEOPTA, ELECTRO-VOICE, ISCO, SCHNEIDER, IREM, Акустика для кино, усилители, усилители для кино, DOLBY, DOLBY DIGITAL, DOLBY DIGITAL SURROUND EX, DOLBY SURROUND. Освещение, ксеноновые лампы OSRAM

Изготовление, монтаж рам экранов и механизмов кашетирования:

Изготовление рам экрана. Изготовление площадок для обслуживания акустических cистем, пропитка противопожарным раствором, изготовление механизмов кашетирования, система управления кашетирования киноэкрана, электромеханика. Изготовление нижней дороги, установка дороги АРЗ, лебедки, электрошкафа управления лебедкой, тросировка, пуск и наладка системы. Установка карнизов. Занавес с системой кашетирования, обрамление экрана, арлекин (бархат).

kinoton

cinemeccanicaKinoton

jblelectro-voice

dolby

 

digital surround

osram

meopta

schneider optic

isco

irem

schneider

thx

В наших силах :

монтаж кинотеатров, поставка кинооборудования, кинопроекты, проектирование кинотеатров, проектирование многозальных кинотеатров, мультиплексов, технологическое проектирование, акустическое проектирование, монтаж мультиплексов, доработка кинопроекторов, модернизация проекторов, сертификация THX, проектирование, монтаж